3HFW
0.6-0.9T
配重平衡式電動堆高機,精巧型車身,適用於狹窄空間操作。
技術
Technology
適合用於低天花板、高地板環境,及狹窄空間。
輕巧機身
適合用於低天花板、高地板環境,及狹窄空間。
適用於各種棧板,木棧板、塑膠棧板等,狹窄空間裝卸好方便。
適用多元種類棧板
適用於各種棧板,木棧板、塑膠棧板等,狹窄空間裝卸好方便。
當旋轉角度大於50度,行走速度會受限,提高了小角度旋轉時的操作能力。
轉向速度限制
當旋轉角度大於50度,行走速度會受限,提高了小角度旋轉時的操作能力。
操縱桿傾斜角度介於5~15度時便能緩速行進,在狹窄空間也易於操作。
緩速行進功能
操縱桿傾斜角度介於5~15度時便能緩速行進,在狹窄空間也易於操作。
使用電動馬達,在狹窄空間也能輕鬆轉向。
電動輔助轉向 (OPT)
使用電動馬達,在狹窄空間也能輕鬆轉向。
橡膠製握把,舒適且抗靜電,操縱省力。
輕量化操縱把手
橡膠製握把,舒適且抗靜電,操縱省力。
 提升操作精準度,並且減少載重造成的震動。
平穩裝卸開關 (OPT)
提升操作精準度,並且減少載重造成的震動。
防止貨物掉落時,對操作員和機身造成的傷害。
防護蓋板 (OPT)
防止貨物掉落時,對操作員和機身造成的傷害。
按下緊急斷電紐,即停止所有功能。
緊急斷電開關
按下緊急斷電紐,即停止所有功能。
讓操作員在長距離操作時不必過度費力。
自動收折式站板
讓操作員在長距離操作時不必過度費力。
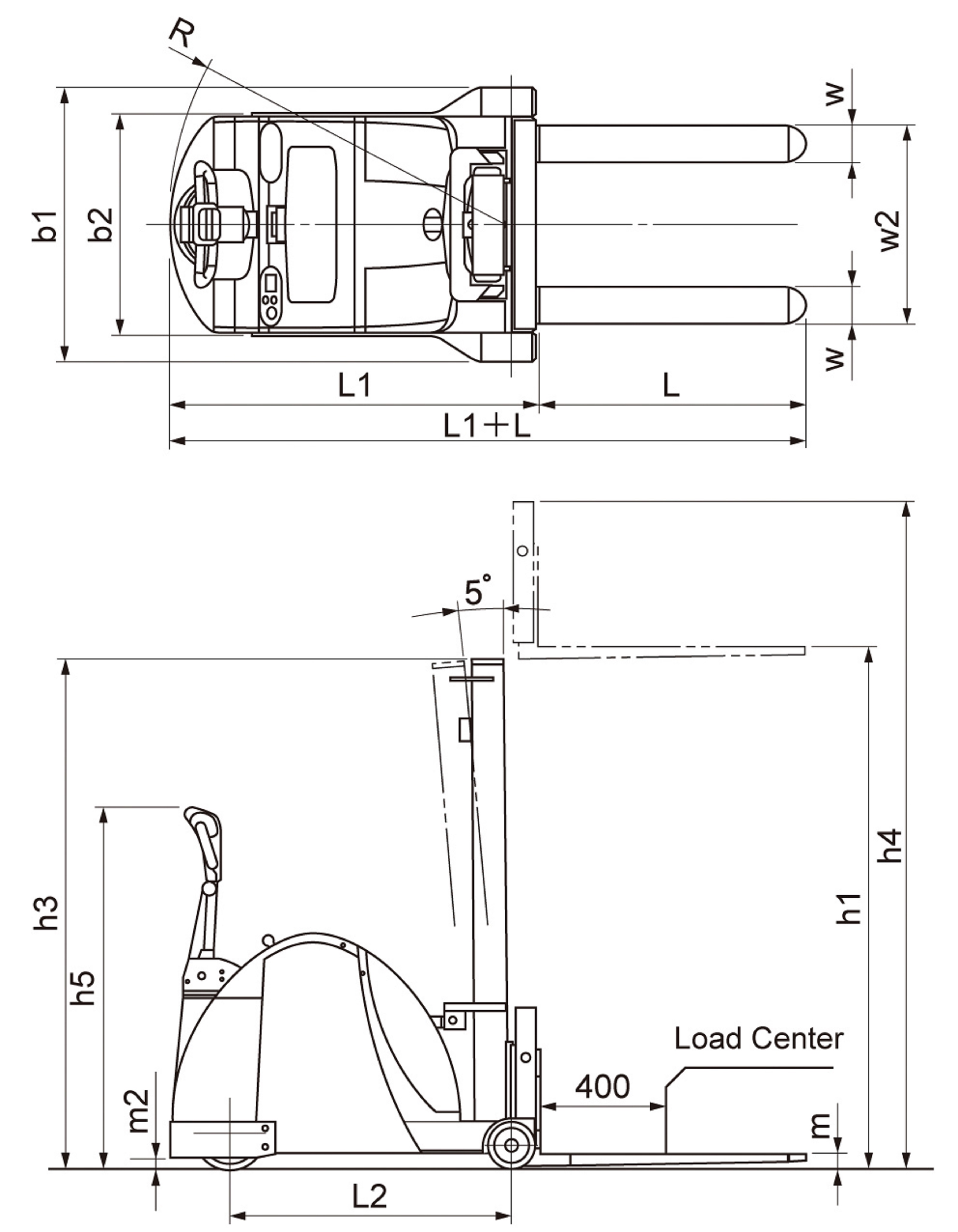
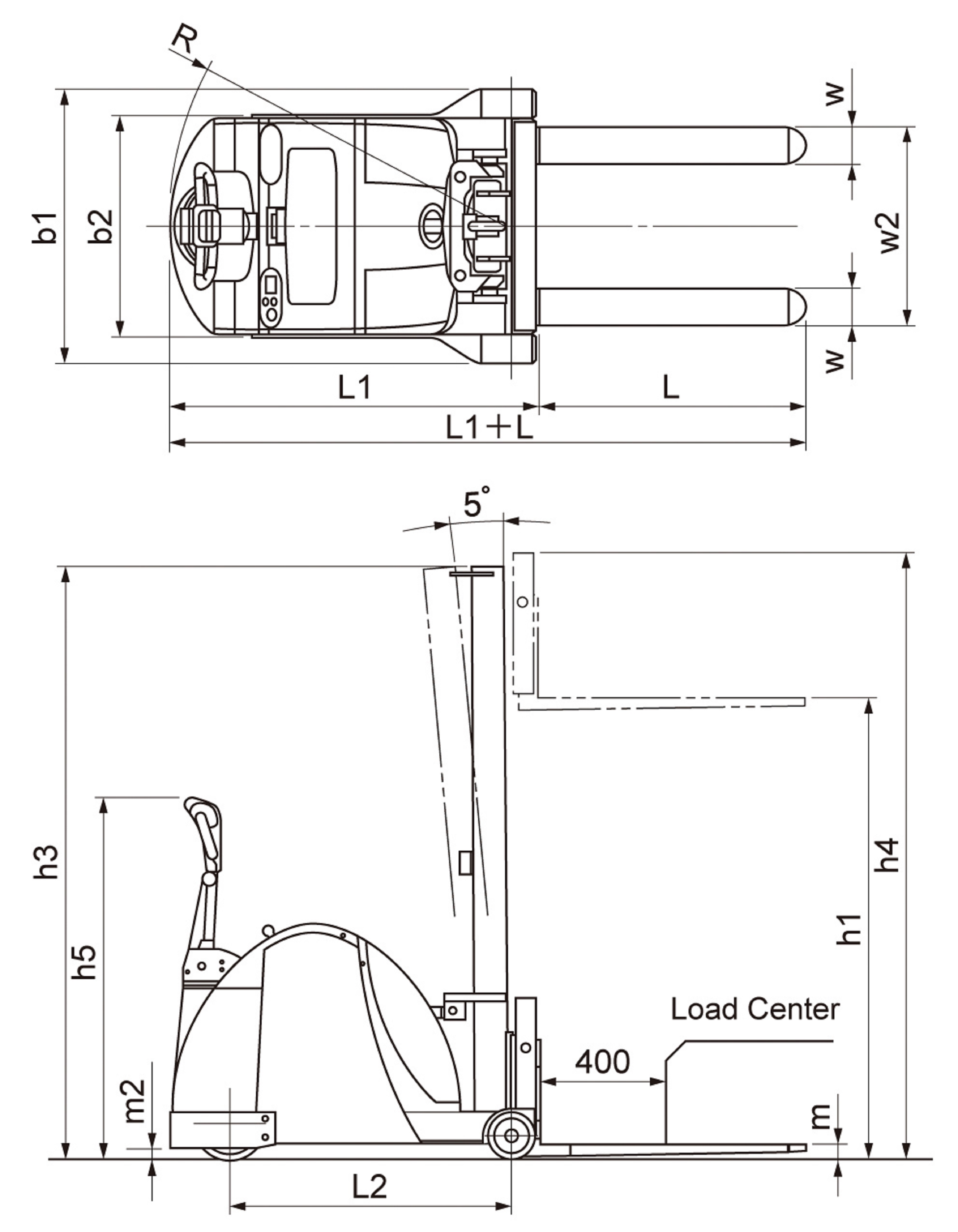
規格表
Detail
3HFW其他規格